网站首页 关于我们 产品中心 资讯中心 客户反馈 联系方式
 
  产品中心
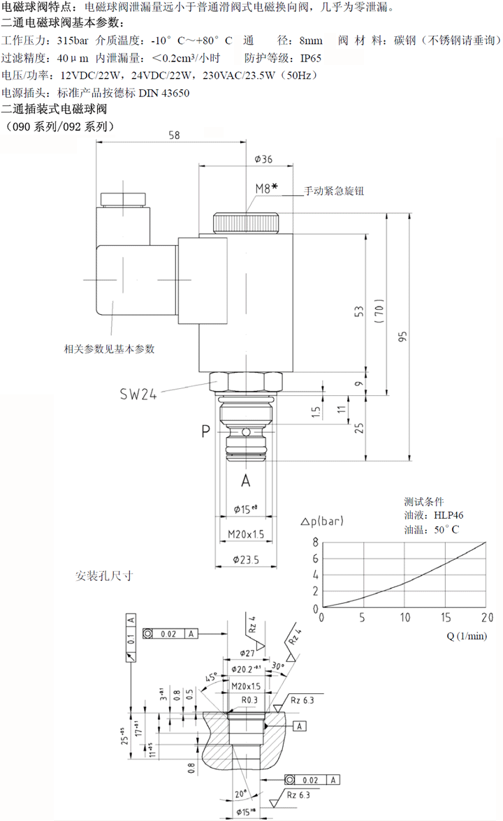
二通电磁阀(请点击查看详情)
架构图
 
具体参数
 
页面版权所有 上海帕珥流体技术有限公司
《中华人民共和国电信与信息服务业务经营许可证》编号:沪ICP备12026846号